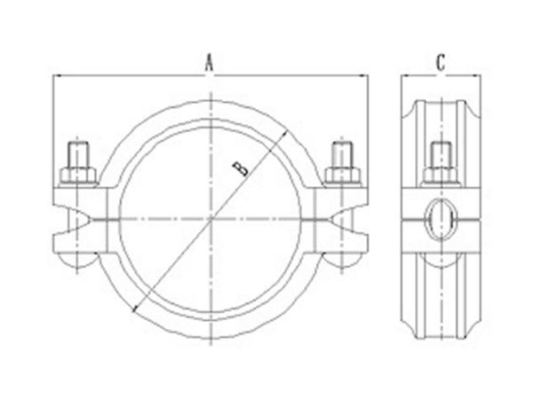
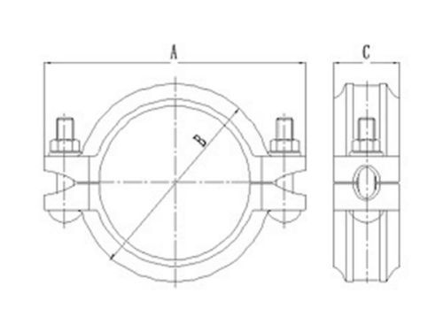
Муфта жесткая угловая грувлок - стандартное жесткое соединение с угловой структурой и выступами, подходящая для применения в трубопроводной системе среднего давления. Это соединение труб специально разработано для достижения угловой и осевой жесткости за счет прочного зажима в основании грува (паза).




| Номинальный размер | Наружный диаметр трубы | Габариты | Размер болта | ||
| мм/дюйм | мм/дюйм | мм/дюйм | No.-Размер мм | ||
| A мм | B мм | C мм | |||
| 25/1 | 33.7/1.327 | 58/2.28 | 98/3.85 | 45/1.77 | 3/8*45-2 |
| 32/(1 1/4) | 42.4/1.669 | 68/2.68 | 106/4.17 | 45/1.77 | 3/8*45-2 |
| 40/(1 1/2) | 48.3/1.9 | 74/2.91 | 114/4.49 | 45/1.77 | 3/8*45-2 |
| 50/2 | 60.3/2.375 | 86/3.39 | 128/5.04 | 45/1.77 | 3/8*55-2 |
| 65/(2 1/2) | 73/2.875 | 98/3.86 | 137/5.39 | 45/1.77 | 3/8*55-2 |
| 65/(2 1/2) | 76.1/3 | 103/4.06 | 141/5.55 | 45/1.77 | 3/8*55-2 |
| 80/3 | 88.9/3.5 | 114/4.49 | 158/6.22 | 45/1.77 | 3/8*55-2 |
| 100/4 | 114.3/4.5 | 143/5.63 | 192/7.56 | 49/1.93 | 1/2*65-2 |
| 125/5 | 139.7/5.5 | 172/6.77 | 222/8.74 | 50/1.96 | 1/2*75-2 |
| 150/6 | 165.1/6.5 | 199/7.83 | 252/9.92 | 50/1.96 | 1/2*75-2 |
| 150/6 | 168.3/6.625 | 202/7.95 | 252/9.92 | 50/1.96 | 1/2*75-2 |
| 216/8 | 216.1 8.51 | 258/10.16 | 322/12.67 | 58/2.28 | 5/8*95-2 |
| 200/8 | 219.1/8.625 | 258/10.16 | 322/12.67 | 58/2.28 | 5/8*95-2 |
| 267/8 | 267.2/10.52 | 313/12.32 | 390/15.35 | 58/2.28 | 3/4*110-2 |
| 250/10 | 273/10.75 | 320/12.60 | 394/15.51 | 60/2.36 | 3/4*110-2 |
| 318/12 | 318.3/12.53 | 369/14.53 | 450/17.72 | 58/2.28 | 3/4*120-2 |
| 300/12 | 323.9/12.75 | 372/14.64 | 450/17.72 | 64/2.51 | 3/4*120-2 |